CC-Link對應通信單元 SC-GU2-C系列 末端裝置SC-GU2-EU
CC-Link同數字傳感器可直接連接 省配線、省工時,亦有助于追蹤及預防維護
- 基本信息
- 產品種類
- 詳細規格
- 產品尺寸
- 產品用途
- 可選件
CC-Link同數字傳感器可直接連接
省配線、省工時,亦有助于追蹤及預防維護
|
※1
|
| ※1 | EMC指令 |
|---|
特點
追蹤性
掌握、存儲裝置調試時傳感器的設定狀態后,可及早解決用戶使用該裝置的過程中發生的故障。
|
設備的遠程監控
設備流水線發生故障時,可通過網絡確認傳感器的設定狀態。因此,可將現場作業人員的工時降到最低。
|
維護作業的效率化
將裝置的出廠設定條件作為“設定文件”預先存儲后,即使更換了傳感器,也只需通過CC-Link寫入即可實現通信。由于更換作業時也連接連接器,所以無需工具即可輕松操作。
|
預防維護
定期獲取傳感器的入光量、壓力值等的數值并圖表化,可有效進行預防維護。
(例)光纖傳感器臟污所導致的光量降低。
|
配備存儲功能,維護簡便
將所連接的數字傳感器的設定存入SC-GU2-C。只需按下“設定擴展(EXT.)”鍵,即可發送設定數據并恢復到原來的狀態。從而順利進行更換傳感器等維護作業。
此外,在接通電源時,自動對保存在SC-GU2-C中的設定以及數字傳感器的設定進行確認。設定異常時,存儲功能指示燈閃爍,并發送報警信號。可防止裝置在設定已變更的狀態下運行。
|
省配線·省施工·省空間
減少CC-Link從站的設置空間。采用連接器連接,可削減配線工時,有助于縮短施工時間。
|
設定閑置單元以節省空間
為明確數據控制而需要對每個字節(傳感器輸入:8臺)進行處理時,或預定日后增添傳感器時,可設定閑置單元(傳感器)。此外,以往的遠程I/O必需16臺的設置空間,但現在可將設置空間控制在所需的最小限度。
(例)將16臺分為8臺一組,每3臺設置一個閑置單元時
|
種類
|
系統構成
|
規格
CC-Link對應通信單元
| 品名 | CC-Link對應通信單元 | ||||
| 型號 | SC-GU2-C | ||||
|
組合 傳感器放大器(注2) |
可連接無線連接器CN-70(另售)的NPN輸出型傳感器放大器 (FX-500/300/311/410系列、LS-401/403、DPS-401/402、GA-311) |
||||
| 連接臺數 |
1臺SC-GU2-C最多連接16臺 (進行光纖通信時,包含FX-500系列在內最多可連接12臺) |
||||
| 電源電壓 | 24V DC +10/-15% 脈動P-P10%以下 | ||||
| 消耗電流 | 110mA以下(連接傳感器放大器除外) | ||||
| 允許通過電流 | 省配線連接器 2A(注3)、電源用連接器 6A(注4) | ||||
| 通信方式 | CC-Link Ver.1.10 | ||||
| 占用站數 | 1站/4站 切換式 | ||||
| 通信速度 | 10Mbps | 5Mbps | 2.5Mbps | 625kbps | 156kbps |
| 總延長距離 | 100m | 150m | 200m | 600m | 1,200m |
| 通信電纜 | 指定電纜(帶屏蔽雙股扭絞電纜)(注5) | ||||
| 站號設定 | 1?64(0或65以上為錯誤) | ||||
| 遠程站分類 | 遠程設備站 | ||||
| 使用環境溫度 |
-10?+55℃ (連接臺數4~7臺時:-10~+50℃、連接臺數8~16臺時:-10~+45℃) (注意不可結露、結冰)、存儲時:-20?+70℃ |
||||
| 使用環境濕度 | 35?85%RH、存儲時:35?85%RH | ||||
| 材質 | 本體外殼:耐熱ABS、連接器外罩:硅膠 | ||||
| 重量 | 本體重量:約60g,包裝重量:約100g | ||||
| 附件 | 連接器外罩:2個 | ||||
(注1):無指定時的測量條件為使用環境溫度=+23℃。
(注2):光纖通信僅適用以下機型。
FX-501/502、FX-301/305、LS-403
(注3):請注意所連接的傳感器放大器等的總消耗電流不得超出允許通過電流。
(注4):如欲對其它設備供電,設計時請控制在允許通過電流以下。
(注5):請使用CC-Link協會認定的專用電纜。
末端裝置
| 品名 | 終端單元 | |
| 型號 | SC-GU2-EU | |
| 電源電壓 | 12?24V DC +10/-15% 脈動P-P10%以下 | |
| 消耗電流 | 10mA以下 | |
| 電源指示燈 | 綠色LED(通電時亮起) | |
| 電纜 | 種類 | 0.38mm2 單芯屏蔽電纜[耐熱PVC(黑色)] |
| 護套外形 | φ1.46mm | |
| 長度 | 30?180mm 可用電纜長度調節按鈕進行調節 | |
| 抗拉強度 | 本體外殼側:20N(注2) | |
| 材質 | 本體外殼:耐熱ABS | |
| 重量 | 本體重量:約20g、包裝重量:約40g | |
(注1):無指定時的測量條件為使用環境溫度=+23℃。
(注2):調節帶通信用連接器的電纜長度時,請輕輕拉拽。從SC-GU2-C上拆卸帶通信用連接器的電纜時,請握住連接器部進行作業。
1ch連接器輸入單元
| 品名 | 1ch連接器輸入單元 |
| 型號 | SC-T1JA |
| 電源電壓 | 12?24V DC ±10% 脈動P-P10%以下 |
| 消耗電流(注2) | 最大25mA以下(所有指示燈亮起時) |
| 模擬輸入 |
輸入電壓范圍 1?5V DC 輸入阻抗:約200kΩ |
|
通信數據 (注3) |
模擬←→通信數據 ?通信數據:0?4,000digits(1~5V范圍內) ?零點:0digit±0.5%F.S.以內 ?跨距:4,000digits±0.5%F.S.以內 ?直線性:±0.5%F.S.以內 |
| 輸入 |
可連接的設備:NPN開路集電極晶體管輸出型 輸入設備用供電電流:100mA以下 輸入阻抗:約17kΩ 工作電壓: ON電壓17V以下(輸入-+V間、24V時) OFF電壓4V以下(輸入-+V間、24V時) |
| 輸出 |
NPN開路集電極晶體管 ?最大流入電流:50mA ?外加電壓:30V DC以下 ?剩余電壓:1.5V以下(流入電流為50mA時) |
| 電源指示燈 | 綠色LED(通電時亮起) |
| 輸入指示燈 | 綠色LED(NPN輸入ON時亮起) |
| 使用環境溫度 |
-10?+55℃ (連接臺數4~7臺時:-10?+50℃、連接臺數8~16臺時:-10?+45℃) (注意不可結露、結冰)、存儲時:-10?+70℃ |
| 使用環境濕度 | 35?85%RH、存儲時:35?85%RH |
| 溫度特性 | ±1%F.S.以內(以+25℃為基準) |
| 材質 | 本體外殼:耐熱ABS |
| 重量 | 本體重量:約20g、包裝重量:約40g |
| 附件 | 連接器(e-CON):1個 |
(注1):無指定時的測量條件為使用環境溫度=+23℃。
(注2):不含所連接輸入設備的消耗電流及輸入電流。
(注3):通信數據與輸入電壓的關系如右圖。
|
連接器輸入單元
| 種類 | 1連接器輸入單元 | 8連接器輸入單元 |
| 型號 | SC-T1J | SC-T8J |
| 電源電壓 | 12?24V DC ±10% | |
|
消耗電流 (注2) |
最大20mA以下 (所有指示燈亮起時) |
最大60mA以下 (所有指示燈亮起時) |
| 信號通道數 | 1通道 | 8通道(注3) |
|
可連接的 設備 |
NPN開路集電極晶體管輸出及直流雙線式傳感器、開關等 | NPN開路集電極晶體管輸出的傳感器、開關等(注4) |
|
設備用 供電電流 (注5) |
100mA以下 |
800mA以下 (8點合計值) |
| 電源指示燈 | 綠色LED(通電時亮起) | |
| 輸入指示燈 | 綠色LED(1通道型1個、8通道型8個)(各通道輸入ON時亮起) | |
|
使用環境 溫度 |
-10?+45℃(注意不可結露、結冰)、存儲時:-20?+70℃ | |
|
使用環境 濕度 |
35?85%RH、存儲時:35?85%RH | |
| 材質 | 本體外殼:耐熱ABS | |
| 重量 | 本體重量:約10g | 本體重量:約40g |
| 附件 | SL-CP1(壓接式插針連接器):1個 | 標記封條:1個 |
(注1):無指定時的測量條件為使用環境溫度=+20℃。
(注2):不含所連接輸入設備的消耗電流及輸入電流。
(注3):無論輸入設備連接臺數的多少,都占用8個通道的信號。
(注4):SC-T8J不可連接直流雙線式傳感器、開關等。
(注5):輸入/輸出線的最大通過電流請控制在50mA以下。
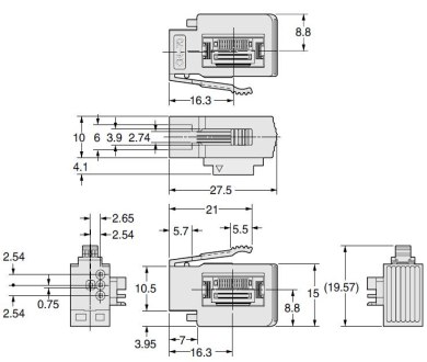
尺寸圖
- 單位mm
SC-GU2-C
|
SC-GU2-EU
|
SC-T1JA
|
SC-T8J
|
SC-T1J
|
CN-70
|
可選件
|



















科恩電氣
科恩眾和