超小型光電傳感器[放大器內置] EX-20 Ver.2系列 EX-23(EX-23-PN)
超小型,仍可用M3螺絲安裝!
- 基本信息
- 產品種類
- 詳細規格
- 產品尺寸
- 產品用途
- 可選件


超小型,仍可用M3螺絲安裝!
|
※1
|
※2
|
※3
|
| ※1 | EMC指令 |
|---|---|
| ※2 | Recognition認證 (5m電纜長度型除外) |
| ※3 | 認證獲得 (僅一部分型號) |
特點
采用單晶圓光學集成電路使其小型化
|
單晶圓光學集成電路( 全定制) 上裝有受光二極管和A/D轉換電路。因此,尺寸雖小,但與原有產品相比,具有同等甚至更優的性能與可靠性。 |
|
長距離檢測
|
EX-20系列盡管尺寸很小,但仍可進行長距離檢測[透過型:2m,回歸反射型:200mm(使用附帶反射鏡時),擴散反射型:160mm],因此,在寬闊的傳送裝置上也可發揮作用。 |
|
在超小型尺寸中的靈敏度調節器
|
傳感器盡管尺寸很小,但仍配備靈敏度調節器。需要微調時非常方便。另外, 在側面檢測透過型受光器上配備有可切換輸出動作的工作模式開關。 |
|
采用紅色LED 點光源的清晰光軸
|
由于點光源的投光區域比原有面光源LED小,因此能投射高能量狹光。由于使用了紅色LED點光源,在較遠的地方也能清楚地看到紅點,檢測位的對齊與確認也能輕松進行。 |
|
節省能源
EX-20系列與以往產品相比,最多可減少約35%的耗電量。可有效促進環保。
|
清晰易見的雙色指示燈
所有型號中均裝有清晰易見的雙色指示燈。( 橙色:工作狀態指示燈、綠色:穩定指示燈)
保護構造IP67
其保護構造達到IP67,即使在沾水的生產線上也可
放心使用。另外,傳感器安裝支架用的全部是不銹鋼。
注意:檢測中沾水時,有時會檢測水滴。
配備防變頻光的電路
對應變頻光等干擾光的能力顯著增強
*從2011年4月生產的產品開始對應。
全球對應
不僅獲得CE標志EMC指令認證、也獲得了UL認證。(電纜長為5m型除外)還備有在歐洲需求廣的PNP輸出型。
適合安裝的2 種型號
|
備有側面和正面檢測型2 種型號。請根據安裝的位置選擇。 |
|
統一的尺寸
|
透過型及擴散反射型的正面檢測型號具有統一的形狀。 |
|
加固安裝部分
|
可用M3 螺絲緊固。而且,為防螺絲過分緊固使產品損壞,安裝孔內裝有金屬插片。 |
|
備有通用傳感器安裝件
|
通用傳感器安裝件( 透過型和側面檢測型EX-23□專用) 能靈活自如地調節傳感器的高度和角度。 |
|
備有正面檢測型安裝墊片
|
正面檢測型能使用安裝墊片從后部安裝。 |
|
備有狹縫透光罩
側面、正面檢測型傳感器均備有φ0.5mm 圓形狹縫透光罩和0.5×3mm方形狹縫透光罩。
種類
| 種類 | 形狀 | 檢測距離 |
型號 (注3) |
輸出 | 輸出動作 | ||
|---|---|---|---|---|---|---|---|
| 透過型 |
正面檢測 |
|
1m | EX-21A | NPN開路集電極晶體管 | 入光時ON | |
| EX-21A-PN | PNP開路集電極晶體管 | ||||||
| EX-21B | NPN開路集電極晶體管 | 遮光時ON | |||||
| EX-21B-PN | PNP開路集電極晶體管 | ||||||
| 側面檢測 |
|
2m | EX-23 | NPN開路集電極晶體管 | 通過切換開關選擇入關時ON或遮光時ON | ||
| EX-23-PN | PNP開路集電極晶體管 | ||||||
|
回歸反射型 |
側面檢測 |
|
30~ 200mm (注1) |
EX-29A | NPN開路集電極晶體管 | 入光時ON | |
| EX-29A-PN | PNP開路集電極晶體管 | ||||||
| EX-29B | NPN開路集電極晶體管 | 遮光時ON | |||||
| EX-29B-PN | PNP開路集電極晶體管 | ||||||
|
擴散 反射型 |
側面檢測 |
|
5~ 160mm (注2) |
EX-22A | NPN開路集電極晶體管 | 入光時ON | |
| EX-22A-PN | PNP開路集電極晶體管 | ||||||
| EX-22B | NPN開路集電極晶體管 | 非入光時ON | |||||
| EX-22B-PN | PNP開路集電極晶體管 | ||||||
|
限 定 反 射 型 |
擴 散 光 型 |
正面檢測 |
|
2~ 25mm (中心10mm) |
EX-24A | NPN開路集電極晶體管 | 入光時ON |
| EX-24A-PN | PNP開路集電極晶體管 | ||||||
| EX-24B | NPN開路集電極晶體管 | 非入光時ON | |||||
| EX-24B-PN | PNP開路集電極晶體管 | ||||||
|
小 光 點 型 |
側面檢測 |
|
6~ 14mm (中心10mm) |
EX-26A | NPN開路集電極晶體管 | 入光時ON | |
| EX-26A-PN | PNP開路集電極晶體管 | ||||||
| EX-26B | NPN開路集電極晶體管 | 非入光時ON | |||||
| EX-26B-PN | PNP開路集電極晶體管 | ||||||
|
窄 視 角 反 射 型 |
長 距 離 光 點 型 |
側面檢測 |
|
45~ 115mm |
EX-28A | NPN開路集電極晶體管 | 入光時ON |
| EX-28A-PN | PNP開路集電極晶體管 | ||||||
| EX-28B | NPN開路集電極晶體管 | 非入光時ON | |||||
| EX-28B-PN | PNP開路集電極晶體管 | ||||||
| 注意 | : |
由于需根據不同的安裝方法選擇不同的安裝支架,因此傳感器本體不附帶安裝支架。 請購買另售的傳感器安裝支架(4個機型)或通用傳感器安裝件(EX-23□專用)。(參見配件) |
|---|
| (注1): |
回歸反射型傳感器的檢測距離是相對于反射鏡RF-200的數值。另外,檢測距離表示反射鏡的可設范圍。檢測物體的檢測距離也可為30mm以下。但如果反射鏡放置在100mm以下,檢測物體應為不透明體。
|
|---|---|
| (注2): | 5如果在50mm以下的檢測距離使用本產品,調節器調節范圍將會變得十分狹窄。 |
| (注3): |
透過型的銘牌上所標記的型號帶“P”符號的機型為投光器,帶“D”符號的機型為受光器。 (例)EX-21A的投光器:EX-21P、EX-21A的受光器:EX-21AD |
無反射鏡型
回歸反射型中備有無反射鏡型。
請在型號末尾加注“-Y”進行訂購。
(例)EX-29A-PN的無反射鏡型為“ EX-29A-PN-Y”
| 標準型 | 無反射型 |
|---|---|
| EX-29A | EX-29A-Y |
| EX-29A-PN | EX-29A-PN-Y |
| EX-29B | EX-29B-Y |
| EX-29B-PN | EX-29B-PN-Y |
5m電纜長度型
NPN輸出型中備有5m電纜長度型(標準長度為2m)。(含回歸反射型和無反射鏡型)訂購時,請在型號末尾加注“-C5”。
(例)EX-29A-Y的5m電纜長度型為“ EX-29A-Y-C5
附件
|
規格
| 種類 | 透過型 |
回歸 發射型 |
擴散 發射型 |
||
| 正面檢測 | 側面檢測 | 側面檢測 | 側面檢測 | ||
|
型 號 (注2) |
入光時 ON |
EX-21A (-PN) |
EX-23 (-PN) (注3) |
EX-29A (-PN) |
EX-22A (-PN) |
|
遮光時ON (非入光 時ON) |
EX-21B (-PN) |
EX-29B (-PN) |
EX-22B (-PN) |
||
| 檢測距離 | 1m | 2m |
30?200mm (注4) |
5?160mm (注5) (200×200mm 白色無光澤紙) |
|
| 檢測物體 |
最小檢測物體 φ2.6mm不透明體 (投光器和受光器之間設定距離:1m) |
最小檢測物體 φ3mm不透明體 (投光器和受光器之間設定距離:2m) |
φ15mm以上的不透明體、 半透明體 (注4) |
不透明體、 半透明體、 透明體 |
|
| 應差 | - |
動作距離的15%以下 [50×50mm(EX-22□為200×200mm、EX-28□為100×100mm)白色無光澤紙] |
|||
|
重復精度 (垂直于 檢測軸) |
0.05mm 以下 |
0.5mm 以下 |
0.3mm 以下 |
||
| 電源電壓 | 12?24V DC±10% 脈動P-P10%以下 | ||||
| 消耗電流 |
投光器: 10mA以下、 受光器: 10mA以下 |
13mA以下 | |||
| 輸出 |
NPN開路集電極晶體管 ?最大流入電流:50mA ?外加電壓:30V DC以下(輸出和0V之間) ?剩余電壓:2V以下(流入電流為50mA時) 1V以下(流入電流為16mA時) PNP開路集電極晶體管 ?最大流出電流:50mA ?外加電壓:30V DC以下(輸出和+V之間) ?剩余電壓:2V以下(源電流為50mA時) 1V以下(源電流為16mA時) |
||||
|
短路 保護 |
配備 | ||||
| 反應時間 | 0.5ms以下 | ||||
| 工作狀態指示燈 | 橙色LED(輸出ON時亮起)(透過型:位于受光器上) | ||||
| 穩定指示燈 |
綠色LED(穩定入光時、穩定遮光時亮起) 位于受光器上 |
綠色LED(穩定入光時、穩定非入光時亮起) | |||
| 靈敏度調節器 | - |
持續可變調節器 位于投光器上 |
配備持續可變調節器 | ||
|
工作模式 開關 |
- | 位于受光器上 | - | ||
|
環 境 性 能 |
保護構造 | IP67(IEC)、防滲漏型(JIS) | |||
|
使用環境 溫度 |
-25?+55℃(注意不可結露、結冰)、存儲時:-30?+70℃ | ||||
|
使用環境 濕度 |
35?85%RH、存儲時:35?85%RH | ||||
|
使用環境 照度 |
白熾燈:受光面照明度3,000lx以下 | ||||
| 耐電壓 | AC1,000V 1分鐘 所有電源連接端子與外殼之間 | ||||
| 絕緣電阻 | 所有電源連接端子與外殼之間,20MΩ以上,基于DC250V的高阻表 | ||||
| 耐振動 | 頻率10~500Hz 雙振幅3mm(MAX.20G) X,Y和Z方向各2小時 | ||||
| 耐沖擊 | 加速度500m/s2(約50G) XYZ方向各3次 | ||||
| 投光元件 | 紅色LED(調制式) | ||||
|
投光 波峰 波長 |
640nm | 650nm | 680nm | 680nm | |
| 材質 | 外殼:聚芳酯,透鏡:聚芳酯 | ||||
| 電纜 | 0.1mm2 3芯(透過型投光器:2芯)橡皮電纜,長2m | ||||
| 電纜延長 | 0.3mm2以上的電纜全長可延長至50m(透過型:投光器和受光器各1根) | ||||
| 重量 |
本體重量:投光器和受光器各約20g、 包裝重量:約50g |
本體重量:約20g、 包裝重量:約30g |
|||
| 附件 | - | 調整螺絲刀:1把 |
RF-200(反射鏡)):1個 調整螺絲刀:1把 |
調整螺絲刀:1把 | |
(注1):無指定時的測量條件為使用環境溫度=+23℃。
(注2):型號末尾加注“-PN”的機型為PNP輸出型。
(注3):入光ON或遮光ON可由工作模式開關(位于受光器上)來選擇。
(注4):回歸反射型傳感器的檢測距離和檢測物體是相對于反射鏡RF-200的數值。另外,檢測距離表
示反射鏡的可設范圍。檢測物體的檢測距離也可為30mm以下。
但如果反射鏡放置在100mm以下,檢測物體應為不透明體。
|
| 種類 | 限定反射型 |
窄視角 反射型 |
|||
|
擴散光 型 |
小光點 型 |
長距離 光點型 |
|||
| 正面檢測 | 側面檢測 | 側面檢測 | |||
|
型 號 (注2) |
入光時 ON |
EX-24A (-PN) |
EX-26A (-PN) |
EX-28A (-PN) |
|
|
遮光時ON (非入光 時ON) |
EX-24B (-PN) |
EX-26B (-PN) |
EX-28B (-PN) |
||
| 檢測距離 |
2?25mm (中心10mm) (50×50mm 白色無光澤紙) |
6?14mm (中心10mm) (50×50mm 白色無光澤紙、設定距離為10mm時, 光點直徑為φ1mm) |
45?115mm (100×100mm 白色無光澤紙、設定距離為80mm時, 光點直徑為φ5mm) |
||
| 檢測物體 |
最小檢測物體 φ0.1mm銅線 (設定距離:10mm) |
最小檢測物體 φ0.1mm銅線 (設定距離:10mm) |
不透明體、 半透明體、 透明體 (設定距離為80mm時、 最小檢測物體 φ1mm銅線) |
||
| 應差 |
動作距離的15%以下 [50×50mm(EX-22□為200×200mm、EX-28□為100×100mm)使用白色無光澤紙]] |
||||
|
重復精度 (垂直于檢測軸) |
0.1mm 以下 (設定距離:10mm) |
0.05mm 以下 (設定距離:10mm) |
0.3mm 以下 |
||
| 電源電壓 | 12?24V DC±10% 脈動P-P10%以下 | ||||
| 消耗電流 | 13mA以下 | 15mA以下 | |||
| 輸出 |
NPN開路集電極晶體管 ?最大流入電流:50mA ?外加電壓:30V DC以下(輸出和0V之間) ?剩余電壓:2V以下(流入電流為50mA時) 1V以下(流入電流為16mA時) PNP開路集電極晶體管 ?最大流出電流:50mA ?外加電壓:30V DC以下(輸出和+V之間) ?剩余電壓:2V以下(源電流為50mA時) 1V以下(源電流為16mA時) |
||||
|
短路 保護 |
配備 | ||||
| 反應時間 | 0.5ms以下 | ||||
| 工作狀態指示燈 | 橙色LED(輸出ON時亮起)(透過型:位于受光器上) | ||||
| 穩定指示燈 | 綠色LED(穩定入光時、穩定非入光時亮起) | ||||
| 靈敏度調節器 | - | 配備持續可變調節器 | |||
|
工作模式 開關 |
- | ||||
|
環 境 性 能 |
保護 構造 |
IP67(IEC)、防滲漏型(JIS) | |||
|
使用 環境 溫度 |
-25?+55℃(注意不可結露、結冰)、存儲時:-30?+70℃ | ||||
|
使用 環境 濕度 |
35?85%RH、存儲時:35?85%RH | ||||
|
使用 環境 照明度 |
白熾燈:受光面照明度3,000lx以下 | ||||
| 耐電壓 | AC1,000V 1分鐘 所有電源連接端子與外殼之間 | ||||
|
絕緣 電阻 |
所有電源連接端子與外殼之間,20MΩ以上,基于DC250V的高阻表 | ||||
| 耐振動 | 耐頻率10~500Hz 雙振幅3mm(MAX.20G) X,Y和Z方向各2小時 | ||||
| 耐沖擊 | 加速度500m/s2(約50G) X,Y和Z方向各3次 | ||||
| 投光元件 | 紅色LED(調制式) | ||||
|
發光 波峰 波長 |
680nm | 650nm | 650nm | ||
| 材質 | 外殼:聚芳酯,透鏡:聚芳酯 | ||||
| 電纜 | 0.1mm23芯(透過型投光器:2芯)橡皮電纜,長2m | ||||
| 電纜延長 | 0.3mm2以上的電纜全長可延長至50m(透過型:投光器和受光器各1根) | ||||
| 重量 |
本體重量:約20g、 包裝重量:約30g |
||||
| 附件 | - | 調整螺絲刀:1把 | |||
(注1):無指定時的測量條件為使用環境溫度=+23℃。
(注2):型號末尾加注“-PN”的機型為PNP輸出型。
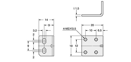
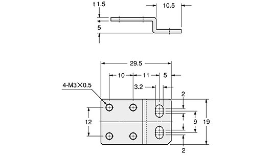
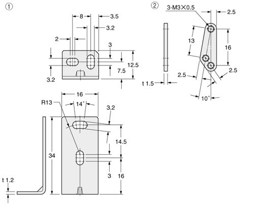
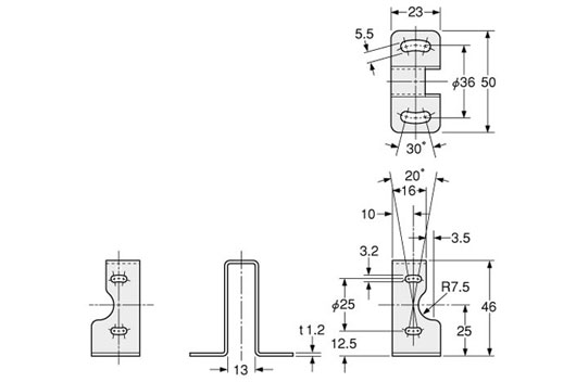
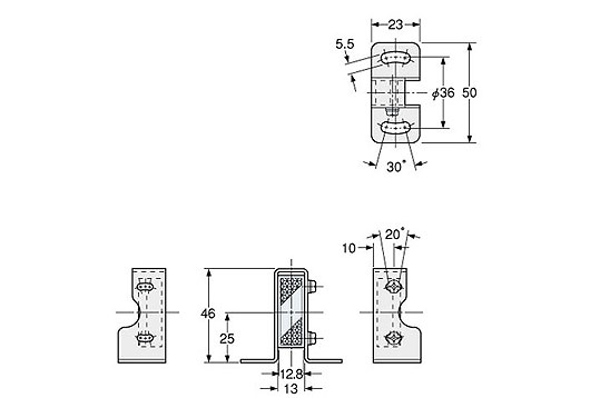
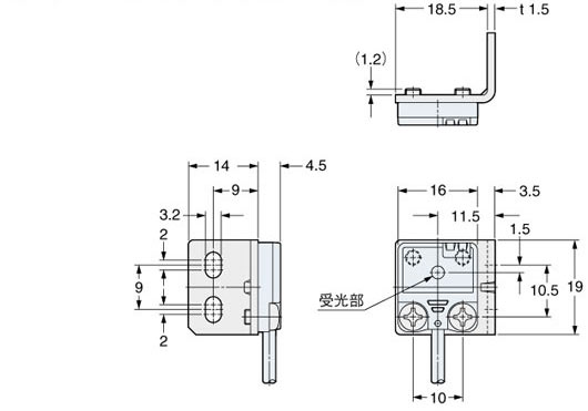
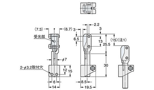
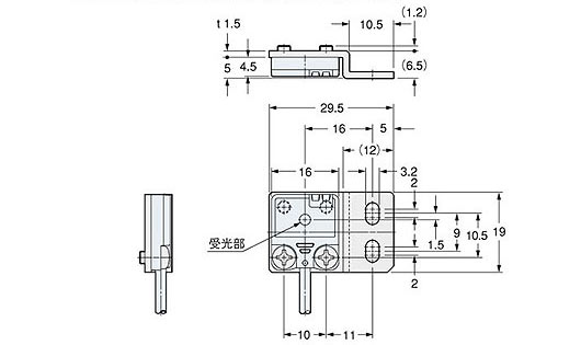
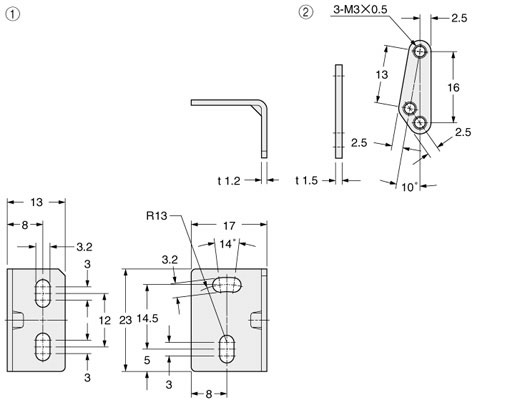
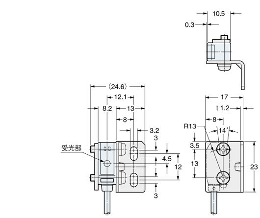
尺寸圖
- 單位mm
EX-21□
傳感器
|
EX-23□
傳感器
|
EX-29□ EX-22□
EX-26□ EX-28□
傳感器
|
EX-24□
|
RF-200
|
RF-210
|
RF-11
反射帶(另售)
|
RF-12
|
MS-RF21-1
|
|
MS-EX20-1
|
|
MS-EX20-2
|
|
MS-EX20-3
|
|
MS-EX20-4
|
|
MS-EX20-5
|
|
MS-EX20-FS
|
|
用途
|
|
|
可選件
| 品名 | 型號 | 內容 | |||
|---|---|---|---|---|---|
|
圓型狹縫透光罩 (透過型專用) |
正面檢測用 |
OS-EX20-05 (狹縫透光罩尺寸?0.5mm) |
單側安裝時 |
?檢測距離:200mm ?最小檢測物體:?2.6mm |
|
| 雙側安裝時 |
?檢測距離:40mm ?最小檢測物體:?0.5mm |
||||
| 側面檢測用 |
OS-EX20E-05 (狹縫透光罩尺寸?0.5mm) |
單側安裝時 |
?檢測距離:350mm ?最小檢測物體:?3mm |
||
| 雙側安裝時 |
?檢測距離:70mm ?最小檢測物體:?0.5mm |
||||
|
方型狹縫透光罩 (透過型專用) |
正面檢測用 |
OS-EX20-05x3 狹縫透光罩尺寸0.5×3mm) |
單側安裝時 |
?檢測距離:600mm ?最小檢測物體:?2.6mm |
|
| 雙側安裝時 |
?檢測距離:300mm ?最小檢測物體:0.5×3mm |
||||
| 側面檢測用 |
OS-EX20E-05x3 (狹縫透光罩尺寸0.5×3mm) |
單側安裝時 |
?検出距離:800mm ?最小検出物體:?3mm |
||
| 雙側安裝時 |
?檢測距離:400mm ?最小檢測物體:0.5×3mm |
||||
|
反射鏡 (回歸反射型專用) |
RF-210 |
?檢測距離:50~400mm ?最小檢測物體:?30mm |
|||
|
反射鏡 安裝支架 |
MS-RF21-1 |
RF-210用保護安裝支架 保護反射鏡免受因沖撞而引起的光軸偏差的影響。 |
|||
|
反射帶 (回歸反射型專用) |
RF-11 |
?使用環境溫度: -25~+50℃ ?使用環境溫度: 35~85%RH [注意] ?避免受壓,如受壓過大,性能會降低,敬請注意。。 ?不可裁切使用,以免降低其檢測性能。 |
?檢測距離: 70~200mm |
||
| RF-12 |
?檢測距離: 60~280mm |
||||
| 傳感器安裝支架 | MS-EX20-1 |
適用于正面檢測型傳感器的倒裝式安裝支架 (透過型傳感器需2個支架。) |
|||
| MS-EX20-2 |
適用于側面檢測型傳感器的立式安裝支架 (透過型傳感器需2個支架。) |
||||
| MS-EX20-3 |
適用于正面檢測型傳感器的L型安裝支架 (透過型傳感器需2個支架。) |
||||
| MS-EX20-4 |
適用于側面檢測型傳感器的倒裝式安裝支架 (透過型傳感器需2個支架。) |
||||
|
通用傳感器安裝件 (注1) |
MS-EXL2-4 |
EX-22□/23□/26□、 EX-28□/29□用 |
能調節傳感器的高度和角度。(透過型時,、需2個支架。) | ||
| MS-EX20-5 | EX-23□用 | ||||
|
安裝墊片 (正面檢測型專用) |
MS-EX20-FS | 從背部安裝正面檢測型傳感器時使用。 | |||
|
傳感器檢查器 (注2) |
CHX-SC2 | 適用于透過型傳感器的光軸對齊。受光器的最佳位置由指示燈和音頻信號指示。 | |||
| (注1): | 請注意通用傳感器安裝件MS-EXL2-4和MS-EX20-5傳感器的安裝方法和安裝后的傳感器光軸位置有差異。 |
|---|---|
| (注2): | 傳感器檢查器的詳情請參閱CHX-SC2。 |
圓形狹縫透光罩
|
|
方形狹縫透光罩
|
|
|
|
反射帶
|
|
傳感器安裝支架
|
|
|
|||||||||
|
通用傳感器安裝件
|
|
|
|






















科恩電氣
科恩眾和