超薄型檢選傳感器 NA1-PK5(NA1-PK5-PN)
間距25mm,連纖細的手也可以檢測到。
編 號:1014081055
型 號:NA1-PK5(NA1-PK5-PN)
品 牌:Panasonic(松下電工)
貨 期:現貨
服 務:由科恩電氣發貨并提供售后服務
瀏 覽:次
- 基本信息
- 產品種類
- 詳細規格
- 產品尺寸
- 產品用途
- 可選件

間距25mm,連纖細的手也可以檢測到。
|
※1
|
※2
|
| ※1 | EMC指定適用 |
|---|---|
| ※2 | Recognition認證 |
特點
|
10mm厚:原有型號的1/2
省空間,超薄設計不妨礙檢選作業。
|
清晰可見的作業指示燈
|
投光器和受光器都裝備有55mm寬的大型作業指示燈。此傳感器用于檢選非常理想。在NA1-PK5中,我們使用了8個橙色LED指示燈,大大提高了可見度。 |
|
可同時安裝2組傳感器
|
將兩個傳感器設為不同的投光頻率以防止相互干擾。同時使用兩個傳感器可進行更廣區域的檢測。 |
|
長檢測距離:3m[NA1-5]
3m的長檢測距離足夠確認至部件架的路徑。
亮起動作可選
|
用于檢選時,作業指示燈的亮起動作可選擇“亮起”或“閃爍”。 |
|
檢測動作可選
|
可選擇1個以上光軸遮光時檢測和2個以上光軸遮光時檢測,以根據用途區分使用。 |
|
種類
| 種類 | 形狀 |
檢測距離 (注1) |
型號 (注2) |
輸出 |
|---|---|---|---|---|
|
高亮度作業 指示燈型 |
|
0.1~1.2m (當設定SHORT時為 0.05~0.5m) |
NA1-PK5 | NPN開路集電極晶體管 |
| NA1-PK5-PN | PNP開路集電極晶體管 | |||
| 長距離檢測型 |
0.2~3m (當設定SHORT時為 0.05~1m) |
NA1-5 | NPN開路集電極晶體管 | |
| NA1-5-PN | PNP開路集電極晶體管 |
| (注1): |
檢測距離是在投光器和受光器之間可設定的范圍。
|
|---|---|
| (注2): |
產品的銘牌上所標記的型號帶"P"符號的機型為投光器,帶"D"符號的機型為受光器。 (例)NA1-PK5的投光器:NA1-PK5P、NA1-PK5的受光器:NA1-PK5D |
5m電纜長度型
NA1-5中備有5m電纜長度型(標準長度為2m)。
型號: NA1-5-C5
中繼連接器型
所有機型均備有中繼連接器型(標準:電纜型)。請在型號末尾加注“-J”進行訂購。另外,請另行購買連接電纜。
(例)NA1-PK5-PN的中繼連接器型為 NA1-PK5-PN-J
?連接電纜(需2根電纜。)
|
S-LINK直連型檢選傳感器
可與傳感器和省配線連接系統S-LINK直接連接后使用。
| 型號 | 內容 | |
|---|---|---|
| SL-N15 |
檢測距離0.2~3m (當設定SHORT時為0.05~1m) 光軸間距:25mm 檢測高度:100mm 檢測物體:?35mm以上的不透明體 |
可與信號傳送線直接連接的5光軸檢選傳感器。 投光器、受光器上配備高亮度的橙色LED作業指示燈,最適用于檢選確認。 |
|
規格
| 種類 | NPN輸出 | PNP輸出 | |||
| 高亮度作業指示燈型 | 長檢測距離型 | 高亮度作業指示燈型 | 長檢測距離型 | ||
| 型號 | NA1-PK5 | NA1-5 | NA1-PK5-PN | NA1-5-PN | |
| 檢測高度 | 100mm | ||||
| 檢測距離(注2) |
0.1?1.2m (當設定SHORT時為0.05~0.5m) |
0.2?3m (當設定SHORT時為0.05~1m) |
0.1?1.2m (當設定SHORT時為0.05~0.5m) |
0.2?3m (當設定SHORT時為0.05~1m) |
|
| 光軸間距 | 25mm | ||||
| 光軸數 | 5 | ||||
| 檢測物體 | φ35mm以上的不透明體(完全遮光物體) | ||||
| 電源電壓 | 12~24V DC±10% 脈動P-P10%以下 | ||||
| 消耗電量(注3) | 投光器:0.5W以下、受光器:0.8W以下 | 投光器:0.6W以下、受光器:0.9W以下 | |||
| 輸出 |
NPN開路集電極晶體管 ?最大流入電流:100mA ?外加電壓:30V DC以下(輸出和0V之間) ?剩余電壓: 1V以下(流入電流為100mA時) 0.4V以下(流入電流為16mA時) |
PNP開路集電極晶體管 ?最大源電流:100mA ?外加電壓:30V DC以下(輸出和+V之間) ?剩余電壓:1V以下(源電流為100mA時) 0.4V以下(源電流為16mA時) |
|||
| 輸出動作 | 1個以上光軸遮光時ON或OFF/2個以上光軸遮光時ON或OFF,可由切換開關選擇 | ||||
| 短路保護 | 配備 | ||||
| 反應時間 | 10ms以下(當使用防干擾功能時,入光時:30ms以下,遮光時:13ms以下) | ||||
|
指 示 燈 |
投光器 |
電源指示燈:綠色LED(通電時亮起) 作業指示燈:橙色LED(作業指示燈輸入低時亮起或閃爍,由切換開關選擇亮起形式) |
電源指示燈:綠色LED(通電時亮起) 作業指示燈:橙色LED(作業指示燈輸入高時亮起或閃爍,由切換開關選擇亮起形式) |
||
| 受光器 |
工作狀態指示燈: 紅色LED(1個以上光軸遮光時亮起,當2個以上光軸在2光軸干擾模式下遮光時亮起) 穩定入光指示燈:綠色LED(穩定接受到所有光軸時亮起) 作業指示燈:橙色LED(作業指示燈輸入低時亮起或閃爍,由切換開關選擇亮起形式) |
工作狀態指示燈: 紅色LED(1個以上光軸遮光時亮起,當2個以上光軸在2光軸干擾模式下遮光時亮起) 穩定入光指示燈:綠色LED(穩定接受到所有光軸時亮起) 作業指示燈:橙色LED(作業指示燈輸入高時亮起或閃爍,由切換開關選擇亮起形式) |
|||
| 防干擾功能 | 配備 | ||||
|
環 境 性 能 |
保護構造 | IP62(IEC)、防滴型(JIS) | |||
| 使用環境溫度 | -10~+55℃(注意不可結露、結冰),存儲時:-20~+70℃ | ||||
| 使用環境濕度 | 35~85%RH,存儲時:35~85%RH | ||||
| 使用環境照明度 | 白熾燈:受光面照明度3,000lx以下 | ||||
| 耐電壓 | AC1,000V 1分鐘 所有電源連接端子與外殼之間 | ||||
| 絕緣電阻 | 所有電源連接端子與外殼之間,20MΩ以上,基于DC250V的高阻表 | ||||
| 耐振動 | 頻率10~150Hz 雙振幅0.75mm X,Y和Z方向各2小時 | ||||
| 耐沖擊 | 加速度490m/s2(約50G) X,Y和Z方向各3次 | ||||
| 投光元件 | 紅外線LED(投光波峰波長:950nm、同步光束掃描方式) | ||||
| 材質 | 外殼:耐熱ABS,透鏡:丙烯,顯示罩:丙烯 | ||||
| 電纜 | 0.3mm2 4芯(投光器:3芯)耐油橡皮電纜,長2m | ||||
| 電纜延長 | 0.3mm2以上的電纜時,投光器和受光器的全長均可延長至100m | ||||
| 重量 |
本體重量:投光器 約80g(受光器 約85g) 包裝重量:約270g |
包裝重量:約270g |
本體重量:投光器 約80g(受光器 約85g) 包裝重量:約270g |
本體重量:投光器 約70g(受光器 約80g) 包裝重量:約270g |
|
(注1): 無指定時的測量條件為使用環境溫度=+23℃。
(注2): 檢測距離是在投光器和受光器之間可設定的范圍。檢測物體的可檢測范圍、NA1-PK5(-PN):0.1m(當設定SHORT時為0.05m),NA1-5(-PN):0.2m(當設定SHORT時為0.05m)
|
(注3): 根據以下公式獲得消耗電流。
消耗電流=消耗電量÷電源電壓
(例) 電源電壓為12V時,投光器的消耗電流為:
0.5W÷12V≈0.042A=42mA
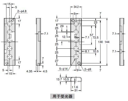
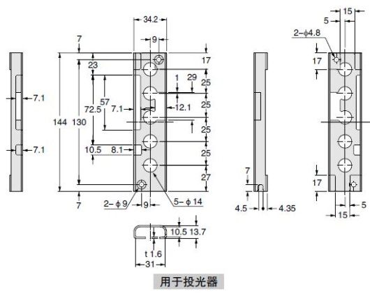
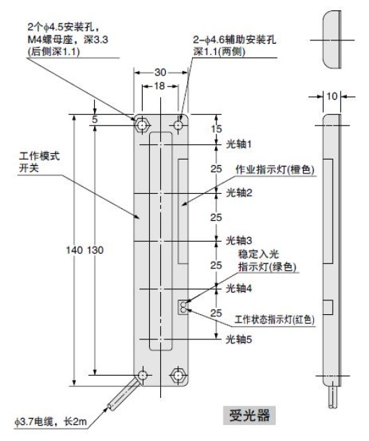
尺寸圖
- 單位mm
NA1-PK5(-PN)
NA1-5(-PN)
傳感器
|
|
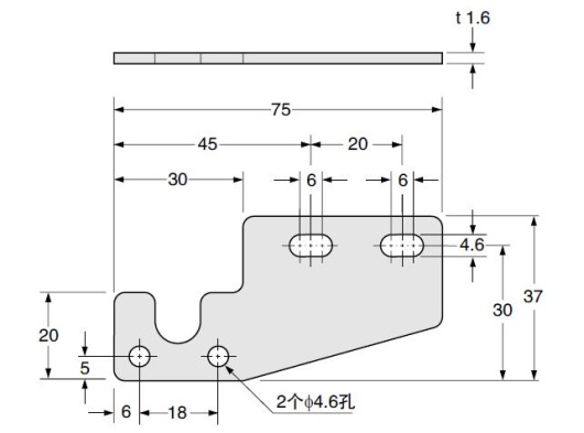
MS-NA1-1
傳感器安裝支架(另售)
|
|
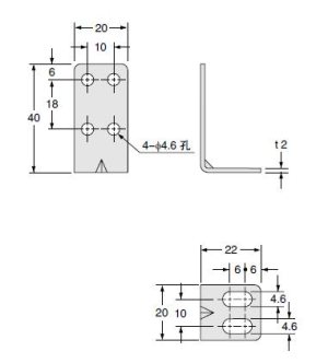
MS-NA2-1
傳感器安裝支架(另售)
|
|
MS-NA3
MS-NA3-BK
傳感器保護支架(另售)
|
|
用途
|
|
可選件
|
|
|
|
|




















科恩電氣
科恩眾和